返回列表

位置:首页 > 媒体中心 > 行业新闻

职教备课资源|路灯节能控制器的调试和维修

发布时间:2019-08-02
浏览:668958
来源:凤凰创壹

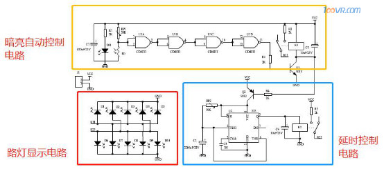
  路灯节能控制电路由光敏电阻RG、CD4011、555定时器组成。白天RG阻值小,CD4011第一脚为低电平,11脚也为低电平,继电器KI、K2不工作,路灯都不亮。随着傍晚来临,RG阻值变大,CD4011第一脚变高电平,11脚也为高电平,Q2导通,KI得电,Q3导通,555定时电路工作,K2吸和,此时路灯都亮。随着C4充电,到后半夜,C4充电电压大于三分之二VCC时,555第三脚变为低电平,K2断电,只有一半路灯的得电照明,到第二天白天又回到初始状态,全暗。


  路灯显示电路:由十个发光二极管模拟路灯。

  暗亮自动控制电路:王要由光敏电阻RG、集成块CD4011、继电器KI组成。通过对RG施加不同的光照,模拟白天、夜晚,使得集成块CD4011的第一脚产生高低电平,控制KI的通断,从而达到亮暗的效果。


  图为100唯尔教育路灯节能控制器的电路

  延时控制电路:王要由555定时器、充电电容C4和继电器K2组成。当傍晚来临,KI打开路灯都亮,C4开始充电,到后半,夜C4充电电压大于三分之二VCC时,555第三脚变为低电平,K2断电,只有一半路灯的得电照明,到第二天白天,又回到初始状态,全暗。延时控制电路实现了晚到后半夜再到天的过程。

  今天100唯尔教育小编就结合100唯尔教育《电子装配》课程来介绍路灯节能控制器的装配与调试。



  100唯尔教育路灯节能控制器的调试与维修视频

  一、检测继电器好坏

  继电器的标称直流电阻值通常标注在其外壳或线包。根据继电器上标出的直流电阻值,将万用表置于合适的电阻档,一般选择RX100档或者RxIK档,两支表笔不分正负,连接到继电器线圈引出脚上进行测量,将测量结果与标称值比较,如果误差在士10%以内,则属正常。如果电阻值明显偏小,则说明线圈有局部短路性故障,如果电阻值为零,说明线圈短路。如果电阻值无穷大(不通),则说明线圈断路。通常常开端电阻值较大,常闭端电阻值小。


  图为100唯尔教育检测继电器好坏

  二、电位器质量判别

  在测试定后,将两表笔分别接在电位器两个固定引脚焊片之间,先测量电位器的总阻值是否与标称阻值相同。若测得的阻值为无穷大或较标称阻值大,则说明该电位器已开路或变值损坏。再用万用表的表笔分别接电位器中心头与两个固定端中的任一端,慢慢转动电位器手柄,使其从一个极端位置旋转至另一个极端位置,正常的电位器,万用表表针指示的电阻值应从标称阻值(或0Ω)连续变化至0Ω(或标称阻值)。整个旋转过程中,表针应平稳变化,而不应有任何跳动现象。若在调节电阻值的过程中,表针有跳动现象,则说明该电位器存在接触不良的故障。


  图为100唯尔教育电位器质量判别

  三、检测光敏电阻

  万用表量程选择。对于电阻比较小,所以一般选择RX100档。测量暗电阻时,由于暗电阻的阻值比大,所以一般选择RxIK档。

  测量暗电阻。用黑表笔接触某一管脚,用红表笔接触另一个管脚,然后用一块遮光的厚

  纸片将光敏电阻器覆盖严密。若光敏电阻器是正常的,则就会因无光照而阻值剧增,阻值很

  大。暗电阻的阻值一般大于1500kΩ。

  测量亮电阻。光敏电阻器受光照后,其阻值会变小。其亮阻的阻值为几千欧。

  判别光敏电阻好坏。好的光敏电阻电阻和暗电阻的阻值相差很大。若光敏电阻器变质或者损坏,则阻值就会变化很小或者不变。另外,在有光照时,若测得光敏电阻器的阻值为零或者为无穷大,则也可判定该产品损坏(内短路或者开路)。


  图为100唯尔教育检测光敏电阻

  四、路灯节能控制器的调试与维修

  (一)看看LED灯有无正常发光

  通过测量继电器线圈电压、测量555电路3脚电压、三极管9012基极和集电极电压,判断工作是否正常,如果工作不正常的应仔细辨别元件有无错装、焊点有无假焊、连焊等。


  图为100唯尔教育看看LED灯有无正常发光

  (二)模拟白天

  根据理论知识,白天应该是所有路灯都不亮。

  1. 打开稳压电源,在VCC端加电源正极,GND端加电源负极。

  2. 观察现象,现象是灯D11亮,其他灯不亮。


  图为100唯尔教育模拟白天

  (三)模拟夜晚

  遮住光敏电咀RG,模拟夜晚情。

  1. 给路灯节能控制器续通12V的直流电源。用手遮住光敏电阻RG的光,观察现象。

  2. 如果此时D1-D10还是不亮,那么调节RP1和RP2,在实际调试过程中,只调节RP1就可以了。


  图为100唯尔教育模拟夜晚

  (四)模拟后半夜

  遮住光敏电阻RG,模拟傍晚到后半夜再到白天情境。由于C4的充放电,过一段时间后会灭掉一部分路灯,直至白天路灯全部熄灭。

  1. 给路灯节能控制器续通12V的直流电源。继续用手遮住光敏电阻RG的光,过一段时间,观察现象。

  2. 如果此时D1-D10还是继续亮,那么调节RP1和RP2,可以看到灭掉一半的灯。

  3. 再经过一段时间,看灯有无全部灭掉。

  4. 如果此时D1-D10没有全部灭掉,那么继续调节RP1和RP2,可以看到灭掉一半的灯


  图为100唯尔教育模拟后半夜

  以上,就是100唯尔教育关于路灯节能控制器的部分内容,如果老师们对其中的课程内容及三维互动教学备课资源感兴趣,可以直接上100唯尔教育网搜索“电子”就可以看到对应的课程。

下一篇江苏持续推进职教体系建设改革

上一篇3D备课资源|虚拟仿真还原数控电火花成型机床机构组成

大家都在看

一站式解决中高职——教育培训、招生、运营、管理难题

立刻联系我们

前台总机(全国):0592-2105111

技术支持中心(全国):0592-2529323

网络推广(全国):0592-2529338/15259229763

江苏分公司(江苏):025-68728205

联系QQ:2276133724

微信号:fhcy15259229763

您好,如有任何问题请联系我们,欢迎提交任何关于我们的问题和建议,我们将尽快回复您。

扫码下载APP

关注微信公众号

网站地图|分销联盟|100唯尔网

版权所有:厦门凤凰创壹软件有限公司 Onesoft © 2026 闽ICP备2023001879号