返回列表

位置:首页 > 媒体中心 > 行业新闻

免费开放VR仿真课程|1分钟带你制作延时电路

发布时间:2020-03-25
浏览:329909
来源:凤凰创壹

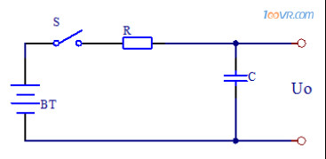
电路的暂态过程也以瞬态过程、过渡过程,是指由一种稳定的状态过渡到另一种稳定的状态。

 

开关闭合前电容C两端的电压uo=0,是一种稳定的状态,当开关闭合后,电容C两端的电压uo逐渐上升最终达到电源BT的电动势E的值,并一直稳定在这个数值上,为另外一种稳定的状态uo=E

电容C两端的电压在开关S闭合后,由uo=0uo=E并不是在瞬间实现的,而是有一个漫长的过程。RC的数值不同,这个过程的时间长短也不同。因此,我们可以利用这一

特性实现延时功能。暂态过程的实现必须具备的条件是电路中要有储能元件,如电容或电感。

RC电路与晶体管台可以实现延时开关的功能。

今天100唯尔教育小编就结合100唯尔教育《模拟电子技术》VR仿真课程来介绍下如何制作与调试延时电路。

1.首先让我们认识下典型RC延时开关电路,接通电源,不按S1DS2亮,DS1熄灭。按一下S1DS1亮,DS2熄灭,延时一段时间后,恢复DS2亮,DS1熄灭的状态。

 

图为100唯尔教育典型RC延时开关电路

2.在线路板上放置延时电路相关器件,根据电原理图和设计装配图进行焊接装配。要求不漏装、错装,不损坏元器件,无虚焊、漏焊和搭锡,元器件排列整齐并符合工艺要求。点击“焊接”按钮进行焊接。

 

图为100唯尔教育放置延时电路相关器件

 

图为100唯尔教育焊接装配

3.点击开始接线按钮进行接线

 

图为100唯尔教育接线操作

4.接线结束后点击读取,再点击通电调试,对话框会弹出无接线错误提示。装接完毕,检查无误后,将稳压电源的输出电压调整为9±0.1V。将正电源接到J1上,负电源接到J2上,对电路进行通电试验,如有故障应进行排除,电路正常进行测量。

 

图为100唯尔教育通电调试操作

5.按下S1DS2熄灭,DS1点亮,此时毫伏表的读数突变为电源电压9V,然后毫伏表的示数逐渐下降到2V左右DS1熄灭、DS2重新点亮,DS1熄灭、DS2点亮之后,毫伏表的读数继续下降,一直降到0

 

 

图为100唯尔教育通电调试操作

以上,就是100唯尔教育关于延时电路的部分内容,抗击疫情期间,100唯尔教育110个专业、700多门课程统统免费对外开放,如果对今天的课程及其VR仿真资源感兴趣,可以直接上100唯尔教育搜模拟电子”就可以找到对应的课程列表了。 

如何获取VR仿真课程

疫情期间,100唯尔虚拟现实仿真教学云平台(www.100vr.com)110个专业、800多门课程、800多万三维互动仿真资源向全社会免费开放,人宅心不宅,技术不能荒,各大院校师生在家也可以通过VR仿真实验操作在线学习专业技术!

方法1、长按识别下方二维码,下载APP之后注册即可0.01元购获得平台VR仿真资源。

 

 

方法2、复制以下链接在电脑上下载100唯尔教育网桌面客户端后注册使用教学云平台资源。

http://www.100vr.com/100vr/index/download_software?type=5

平台课程售价在疫情期间均为0.01元购买。因为三维虚拟现实仿真操作实训算力要求,建议使用独立显卡的PC端学习。

在这个疫情的非常时期,100唯尔教育网希望通过开放虚拟现实仿真实训教学平台和课程,帮助全国各大院校进行教育活动,更好地实现停课不停学

下一篇江苏持续推进职教体系建设改革

上一篇免费开放VR仿真课程|30秒教你用数字万用表测量电路参数

大家都在看

一站式解决中高职——教育培训、招生、运营、管理难题

立刻联系我们

前台总机(全国):0592-2105111

技术支持中心(全国):0592-2529323

网络推广(全国):0592-2529338/15259229763

江苏分公司(江苏):025-68728205

联系QQ:2276133724

微信号:fhcy15259229763

您好,如有任何问题请联系我们,欢迎提交任何关于我们的问题和建议,我们将尽快回复您。

扫码下载APP

关注微信公众号

网站地图|分销联盟|100唯尔网

版权所有:厦门凤凰创壹软件有限公司 Onesoft © 2026 闽ICP备2023001879号