返回列表

位置:首页 > 媒体中心 > 行业新闻

免费开放VR仿真课程|1分钟带你用数控铣床加工八边形凹凸件

发布时间:2020-05-06
浏览:197187
来源:凤凰创壹

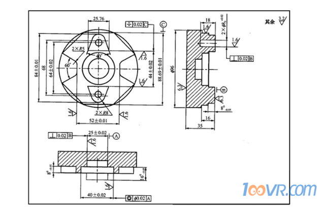
八边形凹凸件主要由八边形外形轮廓、凹槽及孔系组成。其中八边形侧边、钻孔凸台两对应边、凹槽两对应边、工件中心两同心圆孔内壁、φ8内孔的表面粗糙度要求较高,Ra1.6μm,工件底部与钻孔凸台上表面粗糙度要求较低,Ra6.3;其余表面的粗糙度要求为3.2μm φ25±0.01孔对B2³φ8孔对B面有垂直度要求;钻孔凸台两内侧边对c面有对称要求。零件外形轮廓尺寸公差要求高。


 


零件材料为45号钢切削加工性能良好,考虑到加工效率可选用硬质合金刀具加工。根据上述分析,为满足零件对错粗糙度的要求,可对零件进行粗、精加工,同时以工件下表

面为定位,提高装夹刚度以满足φ25±0.02内孔表面垂直度的要求。


今天100唯尔教育小编就结合100唯尔教育《数控铣床加工VR仿真课程来介绍下数控铣床如何加工检测八边形凹凸件


选择设备

通过零件分析可知,该零件为单面型零件,有平面又有孔系,则选用立式加工中心机床。


二、选择加工方法

1. φ96外圆可用车床事先车出

2.八边形凹凸件外形轮廓、凹槽、凸台的粗糙度要求Ra1.6,可选择“粗铣一精铣”方案。其中加工时应采用分层铣削方法

3. φ25内孔可用铣刀铣出,分为粗铣与精铣保证精度。

4.孔加工方法的选择:孔加工前,为便于钻头引正,先用中心钻加工中心孔然后再钻孔。内孔表面精度角度较高,粗糙度值较小,则划分加工阶段逐步进行。该零件孔系加工方案选择:零件中的孔系粗糙度要求高且有尺寸公差,所以可选择“钻中心孔一扩孔一铣孔”方案。


 

图为100唯尔教育选择设备


三、确定装夹方案

该零件为八面凹凸件,下部为圆形,为方便圆心定位和装夹精度,在加工时可以选用通用夹具三爪卡盘。


四、确定加工顺序及走刀路线

按照“基面先行、先面后孔”的原则确定加工顺序:

1.先加基准面,采用环形走刀路线

2.加工凹槽,采用环形走刀路线

3.加工2³φ8通孔采用直线走刀路线

4.加工φ25内孔,采用环形走刀路线。


五、刀具的选择

1.车端面、外圆时可以选用45°。硬质合金端面刀与93°右手外圆偏刀

2.铣削表面、外形轮廓及凹槽时,为提高切削效率和加工精度,减少接刀刀痕,加工时选用φ10硬质合金立铣刀


 

图为100唯尔教育换刀


3.加工内孔φ25±0.02时选用φ10硬质合金立铣刀

4.去除精加工时未加工部位时选用φ18硬质合金铣刀

5.2³φ8通孔时选用φ5中心钻、φ7.8麻花钻、φ8绞刀。


 

图为100唯尔教育


六、八边形零件的测量

1.使用游标卡尺测量零件台阶的长度,零件台阶的长度为110mm,符合加工要求。


 

图为100唯尔教育使用游标卡尺测量零件台阶


2.使用游标卡尺测量零件台阶的长度,零件台阶的长度90mm,符合加工要求。

3.使用游标卡尺测量八边形凸台的直径,八边形凸台的长度86mm,符合加工要求。


以上,就是100唯尔教育关于数控铣床的部分内容,抗击疫情期间,100唯尔教育110个专业、700多门课程统统免费对外开放,如果对今天的课程及其VR仿真资源感兴趣,可以直接上100唯尔教育搜数控铣床”就可以找到对应的课程列表了。 

如何获取VR仿真课程

疫情期间,100唯尔虚拟现实仿真教学云平台(www.100vr.com)110个专业、700多门课程、800多万三维互动仿真资源向全社会免费开放,人宅心不宅,技术不能荒,各大院校师生在家也可以通过VR仿真实验操作在线学习专业技术!

方法1、长按识别下方二维码,下载APP之后注册即可0.01元购获得平台VR仿真资源。

 

 

方法2、复制以下链接在电脑上下载100唯尔教育网桌面客户端后注册使用教学云平台资源。

http://www.100vr.com/100vr/index/download_software?type=5

平台课程售价在疫情期间均为0.01元购买。因为三维虚拟现实仿真操作实训算力要求,建议使用独立显卡的PC端学习。

在这个疫情的非常时期,100唯尔教育网希望通过开放虚拟现实仿真实训教学平台和课程,帮助全国各大院校进行教育活动,更好地实现停课不停学


下一篇江苏持续推进职教体系建设改革

上一篇免费开放VR仿真课程|1分钟带你操作数控机床及日常维护保养

大家都在看

一站式解决中高职——教育培训、招生、运营、管理难题

立刻联系我们

前台总机(全国):0592-2105111

技术支持中心(全国):0592-2529323

网络推广(全国):0592-2529338/15259229763

江苏分公司(江苏):025-68728205

联系QQ:2276133724

微信号:fhcy15259229763

您好,如有任何问题请联系我们,欢迎提交任何关于我们的问题和建议,我们将尽快回复您。

扫码下载APP

关注微信公众号

网站地图|分销联盟|100唯尔网

版权所有:厦门凤凰创壹软件有限公司 Onesoft © 2026 闽ICP备2023001879号