返回列表

位置:首页 > 媒体中心 > 行业新闻

免费开放VR仿真课程|1分钟带你制作与调试声音探听器电路

发布时间:2020-05-07
浏览:614336
来源:凤凰创壹

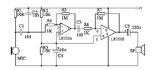
高灵敏度声音探听器是用来听到远处极微弱的声音,它具有极强的指向性和极高的灵敏度,能将运动场上运动员和教练员的低声细语尽收耳底,使用起来十分有趣。其原理就是装在特制筒子里的话筒,能将一定方向上的声音接收下来(其他方向的声音会被抑制),送入放大器放大。放大器由两级组成,第一级由LM958运放中的一运放构成,有110倍增益的放大量,第二级由另一运放构成,有500倍增益的放大量。这样高的放大能力,足以将极微弱的声音信号放大,由耳机输出。利用它就能听到很远处人耳无法直接听到的微弱声音。


 



LM358,内部包括两个独立、高增益、内部频率补偿的双运算放大器,适合于电源电压范围很宽的单电源使用,也适用于双电源工作模式,在推荐的工作条件下,电源电流与电源电压无关。它的使用范围包括传感放大器、直流增益模组,音频放大器、工业控制、DC增益部件和其他所有可用单电源供电的使用运算放大器的场合。


今天100唯尔教育小编就结合100唯尔教育《模拟电子技术VR仿真课程来介绍如何制作与调试声音探听器电路。



1.在线路板上放置声音探听器相关器件。


 

 

图为100唯尔教育放置声音探听器相关器件


2.连接导线保证横平竖直,尽量不交叉需要注意:

①电路布局合理

②走线美观

③连线要横平竖直

④尽量少用短接线

⑤电路不要有交叉线


 

图为100唯尔教育连接导线


3.接通电源,电源电压

通电前需检查,首先检查电路各部分接线是否正确,有无虚焊、漏焊,检查电源、地线、信号线、元器件引脚间有无开路、短路等现象,器件有无接错。


 

图为100唯尔教育电源电压


4.接入电路所要求的电源电压,观察电路中各部分器件有无异常现象,如出现异常,应立即断电,待排除故障后再重新接电。


 

图为100唯尔教育1电压


5.7电压


 

图为100唯尔教育7电压


以上,就是100唯尔教育关于声音探听器的部分内容,抗击疫情期间,100唯尔教育110个专业、700多门课程统统免费对外开放,如果对今天的课程及其VR仿真资源感兴趣,可以直接上100唯尔教育搜“模拟电子技术”就可以找到对应的课程列表了。疫情期间,100唯尔虚拟现实仿真教学云平台(www.100vr.com)110个专业、700多门课程、800多万三维互动仿真资源向全社会免费开放,人宅心不宅,技术不能荒,各大院校师生在家也可以通过VR仿真实验操作在线学习专业技术!

方法1、长按识别下方二维码,下载APP之后注册即可0.01元购获得平台VR仿真资源。

 


方法2、复制以下链接在电脑上下载100唯尔教育网桌面客户端后注册使用教学云平台资源。

http://www.100vr.com/100vr/index/download_software?type=5

平台课程售价在疫情期间均为0.01元购买。因为三维虚拟现实仿真操作实训算力要求,建议使用独立显卡的PC端学习。

在这个疫情的非常时期,100唯尔教育网希望通过开放虚拟现实仿真实训教学平台和课程,帮助全国各大院校进行教育活动,更好地实现停课不停学


下一篇江苏持续推进职教体系建设改革

上一篇免费开放VR仿真课程|点火系故障怎么办?1分钟带你搞定

大家都在看

一站式解决中高职——教育培训、招生、运营、管理难题

立刻联系我们

前台总机(全国):0592-2105111

技术支持中心(全国):0592-2529323

网络推广(全国):0592-2529338/15259229763

江苏分公司(江苏):025-68728205

联系QQ:2276133724

微信号:fhcy15259229763

您好,如有任何问题请联系我们,欢迎提交任何关于我们的问题和建议,我们将尽快回复您。

扫码下载APP

关注微信公众号

网站地图|分销联盟|100唯尔网

版权所有:厦门凤凰创壹软件有限公司 Onesoft © 2026 闽ICP备2023001879号